公司简介
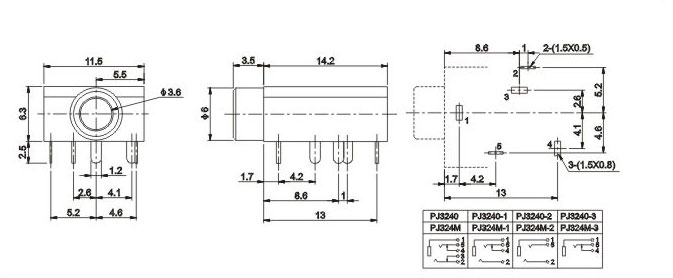
 2.5/3.5耳机插座系列 >> PJ3240-PJ324M 1
1

 

1
  点击次数:1727  发布时间:2013-09-21 【打印】 【返回 1